- 成都優普環保設備工程有限公司
- 電話:183-2853-8768
- 郵箱:1728748202@qq.com
- 網址:www.cqmfyny.com
- 地址:四川省成都市郫都區成都現代工業港北片區港泰大道38號
當前位置:首頁>>技術文章
| 屠宰與肉類加工工業水污染物排放標準及處理技術 |
| 發布者:成都優普環保設備工程有限公司 發布時間:2018/1/30 點擊次數:3399 |
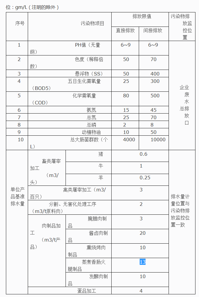
本標準規定了屠宰與肉類加工工業企業或生產設施水污染物排放控制要求,檢測等內容。 1適用范圍 本標準適用于現有屠宰與肉類加工工業建設項目的環境影響評價、環境保護實施設計、竣工環境保護驗收及其投產后的水污染物排放管理。 本標準適用于法律允許的污染物排放行為。新設立污染源的選址和特殊保護區域內現有污染源的管理,按照《中華人民共和國水污染防治法》《中華人民共和國海洋環境保護法》《中華人民共和國環境影響評價法》等法律、法規、規章的相關規定執行。 本標準規定的水污染物排放控制要求適用于企業直接或間接向其法定邊界外排放水污染物的行為。 2術語和定義 下列術語和定義使用于本標準 2.1 屠宰與肉類加工工業 包括畜禽屠宰、肉制品及副產品加工。畜禽屠宰指對各種畜禽進行宰殺,以及鮮肉分割、冷凍等保鮮活動(不包括商業冷藏)。肉制品及副產品加工指主要以各種畜、禽肉為原料加工肉制品,以及畜、禽副產品的加工活動。 2.2 現有企業 指本標準實施之日前,以建成投產或環境影響評價文件已通過審批的屠宰與肉類加工企業及生產設施。 2.3 新建企業 指本標準實施之日起,環境影響評價文件通過審批的新建、改建、擴建屠宰與肉類加工工業建設項目。 2.4 排水量 指生產設施或企業向企業法定邊界以外排放的廢水的量。包括與生產有直接或間接關系的各種外排廢水(含廠區生活污水、冷卻廢水、廠區鍋爐和電站排水等)。 2.5 單位產品基準排水量 指用于核定水污染物排放濃度而規定的生產單位產品的廢水排量上限值。 2.6 直接排放 指排污單位直接向環境水體排放污染物的行為。 2.7 間接排放 指排污單位向公共污水處理系統排放污染物的行為。 2.8 公共污水處理系統 指通過納污管道等方式收集廢水,為兩家以上排污單位提供廢水處理服務并且排水能夠達到相關排放標準要求的企業或機構,包括各種規模和類型的城鎮污水處理廠、區域(包括各類工業園區、開發區、工業聚集地等)廢水處理廠等,其廢水處理程度應達到二級或二級以上。 3水污染物排放要求 3.1 自2019年1月1日起,新建企業執行表1規定的水污染物排放限值。 3.2 自2022年1月1日起,年屠宰量小于2萬頭豬、0.3萬頭牛、3萬只羊、200萬只雞,100萬只鴨鵝的現有企業執行表1規定的水污染物排放限值;其他現有企業自2020年1月1日起執行表1規定的水污染物排放限值。 3.3 表1水污染物排放限值及單位產品基準排水量
3.4 根據環境保護工作的要求,在國土開發密度已經較高、環境承載能力開始減弱,或環境容量較小、生態環境脆弱,容易發生嚴重環境污染問題而需要采取特別保護措施的地區,應嚴格控制企業的污染物排放行為,在上述地區的企業執行表2規定的水污染物特別排放限值。 執行水污染物特別排放限值的地域范圍、時間,由國務院環境保護主管部門或省級民政府規定。 表2水污染物特別排放限值
水污染物排放限值適用于單位產品時間排水量不高于單位產品基準排水量的情況。若單位產品時間排水量超過單位產品基準排水量,須按公式(1)將實測水污染物濃度換算為水污染物基準排水量排放濃度,并以水污染物基準排水量排放濃度作為判定排放是否達標的依據。產品產量和排水量統計周期為一個工作日。 4標準實施與監督 4.1 本標準由縣級以上人民政府環境保護行政主管部門負責監督實施。 4.2 在任何情況下,屠宰與肉類加工企業均應遵守本標準規定的水污染物排放控制要求,采取必要措施保證污染防治設施正常運行。各級環保部門在對企業進行監督性檢查時,可以現場即時采樣或檢測的結果作為判定排污行為是否符合排放標準以及實施相關環境保護管理措施的依據。在發現企業耗水或排水量有異常變化的情況下,應核定企業的實際產品產量和排水量,按本標準的規定,換算水污染基準水量排放濃度。 5廢水處理方法 5.1屠宰污水主要來自于圈欄沖洗、淋洗、屠宰及其它廠房地坪沖洗、燙毛、剖解、副食加工、洗油等工序所產生的污水。屠宰污水一般呈紅褐色,有難聞的腥臭味,其中含有大量的血污、油脂質、毛、肉屑、骨屑、內臟雜物、未消化的食物、糞便等污物,固體懸浮物含量高。 屠宰污水有機物含量高,可生化性好其中高濃度有機質不易降解,處理難度較大,宰污水中的營養物主要是氮、磷,其中氮主要以有機物或銨鹽形式存在,而磷主要以磷酸鹽的形式存在。 6設計思路 6.1一級處理:排放的廢水先后流經粗細兩道格柵,主要去除較大懸浮物和漂浮物,防止污水提升泵等機械設備堵塞。然后流入隔油沉淀池,廢水中含有泥沙等,這些可通過自然沉淀去除,沉淀的泥沙定期用污泥泵打入污泥濃縮罐。油脂則漂浮在水面,可以人工撈出回收處理。由于其廢水水質水量波動較大,以確保后續處理效果和運行穩定性,在處理工藝流程中設置調節池,以均化水質水量。保證系統平穩運行。還可以通過調節池均化其本身的酸、堿度,以使廢水的pH值滿足后續處理工藝的要求。廢水中含有的血污、油脂、油塊等,通過混凝氣浮得到有效的去除。 二級處理:對于屠宰廢水中難降解、濃度較高的CODCr、BOD5,預處理過程中不能完全去除,故二級處理采用生化處理,本設計采用水解酸化-好氧生物處理技術。水解酸化池主要目的將大分子有機物分解成小分子有機物,以便在好氧過程中進一步得到去除。 三級處理:好氧處理后的出水,溢流到沉淀池中,沉淀后上清水進入消毒池,沉淀池中的污泥定期用泥漿泵打入污泥濃縮罐中。 7※ 7工藝流程 來自屠宰場的污水經格柵(網)去除污水中的毛、皮、浮渣和大顆粒懸浮物后自流入隔油池,去除大部分油脂和泥砂后進入調節池,經調節池調節水質水量后,并保證后續處理設施的正常運行。經過調節池的水經泵提升至平流式氣浮沉淀一體機。先期去除水中懸浮物(ss),去除率達90%以上,出水進入一體化污水處理設備,一體化污水處理設備由(水解酸化池、二級接觸氧化池、沉淀池組成),污水在水解酸化池進行酸化處理,通過厭氧菌將大分子有機物轉化成低分子有機物;經水解酸化池流入接觸氧化池進行生化反應后再進入沉淀池,出水經過濾消毒達標排放 8應用分析 考慮屠宰污水水質特點,對比各種處理方法的優缺點,得出目前屠宰污水最經濟有效的處理技術為:以生物法為主,輔助必要的物理、化學等方法作預處理。例如以采用生物處理法為主體的二級SBR法工藝路線處理效果較好。在北方地區,尤其是經濟不發達的北方地區,考慮到氣溫低,占地要求小,運行費用要求低等因素,深井曝氣法為首選方法。 厭氧生物處理成本低,但不能較好地去除氨氮,故對于出水水質要求較高的情況下,通常經過厭氧處理后,還需進行好氧處理或采用化學法去除氨氮才能達到水質排放要求。好氧法不僅可以獲得很高的CODcr去除率,而且還可以去除氮、磷,但成本很高,所以對于高濃度屠宰污水,通常首先經厭氧生物法處理,然后使用好氧法處理,綜合使用厭氧和好氧生物法的優點,可以獲得高CODcr去除率,同時去除氮、磷,還降低成本。 采用生物法處理屠宰污水可考慮回收利用問題。活性污泥經過一定處理后,可作為動物飼料用[24],還可回收屠宰污水中的蛋白質和脂肪,產品可用作動物飼料,還可以生產沼氣和無害肥。達到開發能源,變廢為寶,又促進農業養殖業發展的目的,是一項具有生態平衡良性循環的可持續發展工程。屠宰污水的治理經驗對于城市和養殖業糞便污染的治理有著較好的參考價值。 9設計原理 由于屠宰污水中含有一定量的大塊漂浮物(血污、毛皮、雜物染物等),因此先用格柵予以攔截下來,以保證后續設備的正常運行,因為屠宰污水中含有血污、油脂等大分子有機物存在,直接進入好氧將很難降解,因此格柵出水進入化糞池。屠宰場現有化糞池能夠起到一定的處理效果,但現有出水濃度依然很高并且夾帶部分油脂,為了減輕后續處理設施的負荷,因此考慮在前端加一座隔油池以去除油脂。屠宰場因為工作時間的因素,它的排水周期跟其它污水排放周期不同,它主要集中在夜間排放,因此必須設置一個較大的調節池來調節水質水量以保證整套設施的正常運行,減輕對后續設施帶來的沖擊負荷,污水經調節池收集然后通過泵泵入后續處理設施。污水經過前端化糞池處理后,污水中依然含有大部分大分子有機污染物,因此需要進一步對其降解為小分子物質,為后續好氧生化做準備,并且考慮到污水中氨氮和總磷的超標,因此必須設施好氧—缺氧的交替運行環境來達到硝化—反硝化的交替運行來達到脫氮除磷的效果,此處通過設置水解酸化池將后續好氧處理出水部分回流至水解酸化池來實現。污水經過水解酸化池后進入好氧池,此處將好氧池分為兩段,它的好處在于在不同的好氧段,微生物根據環境不同而呈現空間的分布,具備針對性,有著更好的去除效果。污水經過前端各個生化處理設施處理后,有機污染負荷很大程度得到降解。但污水中色度依然難以達標,為了對色度的去除,并同時考慮對COD的降低和氨氮及總磷的降低,因此此處設置混凝沉淀池并且投加針對性的藥劑。沉淀池出水,進入消毒池,然后最終達標排放。 10工藝優點 10.1采用的生物接觸氧化處理工藝,比活性污泥池體積小,適應性強,耐沖擊負荷性能好,出水水質穩定,不會產生污泥膨脹; 填料比表面積大,微生物易掛膜,脫膜,在同樣有機物負荷條件下,對有機物去除率高,穩定可靠,同時無需投加藥劑,節約后續成本,降低運行費用; 10.2水解酸化可有效污水血色,分解大分子有機物,減少后續處理負荷; 10.3沉淀效果理想,可獲得較好的出水水質; 10.4消毒處理,去除率達到99.4%以上; 10.5妥善處理剩余污泥,保證系統的穩定可靠運行,排泥方便,減少人工操作 10.6采用獨特的構造方式,最大限度減少臭氣擴散; 10.7運行管理簡單,可根據實際情況進行運行狀態調整,以獲得最佳運行效果; 10.8凈化效率高,BOD去除率在85%~90%,出水各項指標達到國家二級或一級排放標準; 10.9能夠處理屠宰行業污水及其相類似的工業有機污水; |
| 上一條:62個水處理工藝流程圖匯總 | 下一條:氨氮處理中如何快速達標排放? |






